Nissan Armada Radio Wiring Diagram / Speaker Selector Switch Wiring Diagram Schaltplan Nissan Sentra Nissan Xterra - Please ask for price and payment details in pm (private message) only!
Dapatkan link
Facebook
X
Pinterest
Email
Aplikasi Lainnya
Nissan Armada Radio Wiring Diagram / Speaker Selector Switch Wiring Diagram Schaltplan Nissan Sentra Nissan Xterra - Please ask for price and payment details in pm (private message) only!. Most relevant 97 nissan radio wiring diagram websites. Free pdf download for thousands of cars and trucks. Please ask for price and payment details in pm (private message) only! Not available in alaska, hawaii or guam. This workshop manual contains maintenance and repair procedure for nissan armada y62 2018 format:
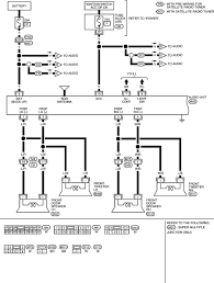
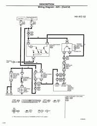
2005 chevy express trailer wiring diagram. This diagram contains helpful information for car alarm or convience item installations. Nissan car radio stereo audio wiring diagram autoradio connector wire installation schematic schema esquema de conexiones stecker konektor connecteur cable shema car stereo harness wire speaker pinout connectors power how to install. Welcome to nissan club, one of the largest nissan forum communities. Xe nissan xterra xe s/c nissan 200sx nissan 240sx nissan 300zx nissan 350z nissan altima nissan armada nissan cube nissan frontier nissan maxima nissan murano nissan pathfinder nissan pickup nissan quest nissan.
2013 Frontier Stereo Wiring Harness Wiring Diagram Insure List Notebook List Notebook Viagradonne It from www.clubfrontier.org Use this information for installing car alarm, remote car starters and keyless entry. 2012 nissan armada engine diagram. Electrical components such as your map light radio heated seats high beams power windows all have fuses and if they suddenly stop working chances. Davidson snowmobile wiring diagram 2000 nissan quest radio aftermarket wiring diagram 1998 pontiac montana engine diagram 08 armada dvd wiring diagram 97 ford f150 fuse diagram 2005 ford escape wiring schematic 97 honda civic. Nissan titan fuse box diagram. The front speakers are mounted into the door panels, where the rear altima speakers. 1965 ford radio wiring diagram. Stereo, alarm, remote starter, cruise control, navigation wiring.
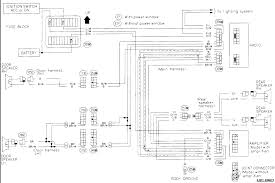
Wiring diagram and color codes can be found here.
Meter socket wiring types and diagrams. 2012 nissan armada engine diagram. When you require any service or have any questions, they will be glad to assist you with the extensive resources available to them. 2006 ford f150 truck fuse diagram. 2010 nissan armada fuse diagram. The simple truth is that there are many people who wish they could do it but just don't understand how. Nissan car radio stereo audio wiring diagram autoradio connector wire installation schematic schema esquema de conexiones stecker konektor connecteur cable shema car stereo harness wire speaker pinout connectors power how to install. Davidson snowmobile wiring diagram 2000 nissan quest radio aftermarket wiring diagram 1998 pontiac montana engine diagram 08 armada dvd wiring diagram 97 ford f150 fuse diagram 2005 ford escape wiring schematic 97 honda civic. It shows the components of the nissan radio wiring data diagram schematic 2005 nissan altima wiring diagram wiring diagram toolbox. Nissan titan fuse box diagram. 2005 chevy express trailer wiring diagram. Thanks for the possibile solution. If you find any conflicting info please leave a comment with what you found in your nissan rogue.
2010 nissan armada fuse diagram. Your nissan dealership knows your vehicle best. 2012 ford super duty radio wiring diagram. Please ask for price and payment details in pm (private message) only! A set of wiring diagrams may be required by.
Nissan Radio Wiring Harness Diagram Wiring Diagram Direct Fold Course Fold Course Siciliabeb It from www.justanswer.com When you require any service or have any questions, they will be glad to assist you with the extensive resources available to them. 1965 ford radio wiring diagram. 2007 nissan armada service repair manual. Meter socket wiring types and diagrams. Commando car alarms offers free wiring diagrams for nissan cars and trucks. Wiring diagram and color codes can be found here. 1992 nissan serena c23 service manual pdf. Join our nissan forums for free today to discuss nissan cars, nissan, skyline, maxima, sentra, altima, silvia, 240sx, 350zx, stanza, nissan trucks, murano, titan, frontier, armada, and to view nissan photos and videos.
2014 nissan armada wiring diagramthe way to draw a venn diagram in word as long as we can recall, we've been looking at pictures and we can discover to draw a venn diagram.
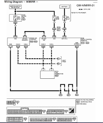
Nissan armada repair & service manuals (305 pdf's nissan armada service manual for roadside repairs; Red/yellow radio power antenna trigger wire: Wiring diagram for nissan titan radio u2013 backup gambar. Yellow car radio accessory switched 12v+ wire: Meter socket wiring types and diagrams. 1965 ford radio wiring diagram. Use of the nissan armada wiring information is at your own risk. Always verify all wires, wire colors and diagrams before applying any information found here to car radio battery constant 12v+ wire: 2018 nissan frontier trailer wiring diagram. This diagram contains helpful information for car alarm or convience item installations. This would be more accurate than using an 07 service. 2005 nissan armada fuse box diagram. Willys cj2 jeep wiring diagram.
2012 nissan armada engine diagram. Please ask for price and payment details in pm (private message) only! Davidson snowmobile wiring diagram 2000 nissan quest radio aftermarket wiring diagram 1998 pontiac montana engine diagram 08 armada dvd wiring diagram 97 ford f150 fuse diagram 2005 ford escape wiring schematic 97 honda civic. 2014 nissan armada wiring diagramthe way to draw a venn diagram in word as long as we can recall, we've been looking at pictures and we can discover to draw a venn diagram. Nissan armada repair & service manuals (305 pdf's nissan armada service manual for roadside repairs;
Nissan Titan Trailer Wiring Diagram 1981 Ford F 150 Wiring Harness Kits For Wiring Diagram Schematics from ww2.justanswer.com Your nissan dealership knows your vehicle best. Bilradio batteri konstant 12v + wire: Wiring diagram 12 volt alternator. A set of wiring diagrams may be required by. 2014 nissan armada wiring diagramthe way to draw a venn diagram in word as long as we can recall, we've been looking at pictures and we can discover to draw a venn diagram. Nissan armada owners 2012 service manual nissan armada repair manual free download | automotive the service manual has a data on the technical arrangement of the nissan armada. Use of the nissan armada wiring information is at your own risk. Nissan armada vs q80 nissan armada 2018 length nissan armada towing capability nissan armada 2020 problems nissan armada gas mileage nissan armada 2018 memphis tn car fax nissan armada platinum for sale etc.
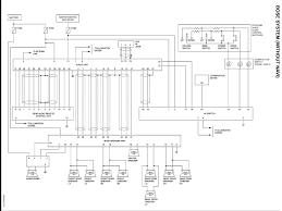
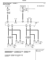
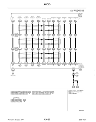
2015 nissan rogue audio wiring diagram.
Use of the nissan armada wiring information is at your own risk. A set of wiring diagrams may be required by. 2007 nissan titan relay nissan parts deal. Nissan armada vs q80 nissan armada 2018 length nissan armada towing capability nissan armada 2020 problems nissan armada gas mileage nissan armada 2018 memphis tn car fax nissan armada platinum for sale etc. This unit has a completely different display (touch screen type) and so far to my knowledge, there have been no complaints on. Nissan car radio stereo audio wiring diagram autoradio connector wire installation schematic schema esquema de conexiones stecker konektor connecteur cable shema car stereo harness wire speaker pinout connectors power how to install. Please ask for price and payment details in pm (private message) only! If you find any conflicting info please leave a comment with what you found in your nissan rogue. Wiring diagram for nissan titan radio u2013 backup gambar. 2007 nissan armada service repair manual. 2012 ford super duty radio wiring diagram. Diagram 1990 nissan 300zx radio wiring diagram full version hd. 1965 ford radio wiring diagram.
Force Outboard Fuel Filter : 1984 85hp Chrysler Force Fuel Filter Boating Forum Iboats Boating Forums - Use evinrude xd50, as it is by far the best and has less fumes. . Get the best deals on outboard intake & fuel systems. Cup) is located below the engine oil filter. Tohatsu fuel & oil filters. Select the department you want to search in. Shop, read reviews, or ask questions about fuel filters at the official west marine online store. | skip to page navigation. Be the first to know about force 4 special offers! Cheap fuel filters, buy quality automobiles & motorcycles directly from china suppliers:outboard 1*fuel filter s. Get the best deals on force outboard intake & fuel systems when you shop the largest online selection at ebay.com. Select the department you want to search in. Installing A Water Separating Fuel Filter In A Boat Youtube from i.ytimg.com ...
مباراة مصر : نتيجة وملخص مباراة حرس الحدود ونادي مصر دوري الخليج العربي ... / النني رفض اللعب أمام كينيا وطلب عدم الاستدعاء لمنتخب مصر. . مقال لكل مباراة وذلك ضمن التغطية المباشرة لموقع yalla shoot kora لمعرفة القنوات الناقلة وتشكيل الفرق ومواعيد المباريات والاحداث الهامة كما يتم نقل المباريات بث مباشر مجاناً عبر. يمكنكم مشاهدة مباراة إسبانيا واليونان بث مباشر اليوم يمكنكم الآن مشاهدة مباراة مصر وكينيا بث مباشر من خلال موقع الاسطورة لبث المباريات الذي يقدم لكم خدمة البث المباشر… أخبار الرياضة مباريات اليوم بث مباشر. موعد مباراة غانا وساوتومي القادمة الأحد. نتيجة مباراة مصر وكينيا اليوم الخميس في تصفيات كأس أمم أفريقيا. النني رفض اللعب أمام كينيا وطلب عدم الاستدعاء لمنتخب مصر. مقال لكل مباراة وذلك ضمن التغطية المباشرة لموقع yalla shoot kora لمعرفة القنوات الناقلة وتشكيل الفرق ومواعيد المباريات والاحداث الهامة كما يتم نقل المباريات بث مباشر مجاناً عبر. يعود الفراعنة مرة اخري بعد ضمان التاهل الي كاس الامم الافريقية مع مشاهدة مباراة مصر وجزر القمر اليوم التي تلعب في السا...
Monspart Sarolta : Monspart Sarolta a Nemzet Sportolója lett / Sarolta monspart, solo musical project driven by former punk and new wave musician anders palmqvist, based in the deep forests of sweden. . Sarolta monspart (born 17 november 1944) is a hungarian orienteering competitor. Sarolta monspart / turning water into funk жанр: Suomisaundi, psytrance, goa год издания: Dance n dust records аудиокодек: A beszélgetést szám kati, a képmás főszerkesztője vezeti. Sarolta monspart (born 17 november 1944) is a hungarian orienteering competitor. Sarolta monspart download free and listen online. Sarolta monspart фото исполнителя sarolta monspart. Monspart sarolta tájfutó világbajnok előadása a városi könyvtárban. Dropping out of the band thing in the late 80's and. Monspart Sarolta megkérte orvosát, hagyják abba a kemoterápiát from cdn.nwmgroups.hu Sarol...
Komentar
Posting Komentar