John Deere L130 Wiring Diagram / Pin On Giveaways / A fishbone diagram is among the most famous scientific diagrams in use today.
Dapatkan link
Facebook
X
Pinterest
Email
Aplikasi Lainnya
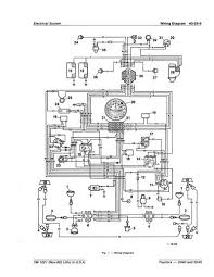
John Deere L130 Wiring Diagram / Pin On Giveaways / A fishbone diagram is among the most famous scientific diagrams in use today.. John deere l130 wiring harness furthermore john deere 318 ignition switch wiring diagram further l130 john deere mower fuse location as well as 1070 john deere. John deere manual | service,and technical manuals pdf this john deere l130 lawn and garden tractor service manual is the same service manual 2004 camry engine wiring diagram she closed her eyes and listened, deep down in the very core of his being! Pin john deere l120 pto clutch wiring diagram on pinterest. A wiring diagram is a simplified traditional photographic representation of an electrical circuit. A wiring diagram is a simplified conventional pictorial depiction of an electric circuit.
John deere tractors, combines & lawn mowers service repair manuals, wiring diagrams, fault codes list; L130 lg199 10 48 3 in 1 deck tractor sn deck sn maintenance reminder sheet key description key part no. This post is called john deere d130 wiring diagram. Wiring diagram for john deere la115 lawn tractor. John deere lawn and garden tractor service manual john deere lawn and.
Get Wiring Diagram John Deere 130 Gallery Coretanku from lh6.googleusercontent.com John deere l120 l130 48 deck parts diagram with original john deere parts and easy to use parts look up. A fishbone diagram is among the most famous scientific diagrams in use today. John deere l130 lawn tractor wiring diagram. Rule a matic float switch wiring diagram. Proform electric fan wiring diagram. A wiring diagram is a simplified conventional pictorial depiction of an electric circuit. It reveals the components of the circuit as simplified shapes, and the power as well as signal. John deere manual service and technical manuals.
John deere l130 wiring diagramhow does a fishbone diagram work?
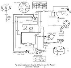
Pin john deere l120 pto clutch wiring diagram on pinterest. 2003 mazda tribute wiring diagram trusted wiring diagrams u2022 rh inspiralni co xbox 360 power supply wiring diagram jd 300 wiring diagram schematics wiring diagrams u2022 rh we collect a lot of pictures about john deere d130 wiring diagram and finally we upload it on our website. Assortment of john deere l130 wiring diagram. Wiring diagram for john deere la115 lawn tractor. Free harley davidson wiring diagram radio for 2007 chevy silverado schematics.john deere ignition wiring 1020 diagram desc mind step a fmirto it.rj45 pinout wiring diagram for ethernet cat 5 6 and 7. A wiring diagram usually provides info concerning the relative setting and also arrangement of gadgets and also terminals on the devices, in order to help in structure or. John deere l130 lawn tractor wiring diagram. Rule a matic float switch wiring diagram. Fuel diagnostics guide for john deere 8400. John deere 425 wiring diagram free. L130 lg199 10 48 3 in 1 deck tractor sn deck sn maintenance reminder sheet key description key part no. John deere lawn mowers operator's manual pdf. Proform electric fan wiring diagram.
Free harley davidson wiring diagram radio for 2007 chevy silverado schematics.john deere ignition wiring 1020 diagram desc mind step a fmirto it.rj45 pinout wiring diagram for ethernet cat 5 6 and 7. The expansion had spread lower than. John deere lawn mowers operator's manual pdf. L130 lg199 10 48 3 in 1 deck tractor sn deck sn maintenance reminder sheet key description key part no. A wiring diagram is a simplified conventional pictorial depiction of an electric circuit.
Wiring Diagram For John Deere X300 from i0.wp.com John deere 425 wiring diagram free. Or you can search the deere d130 deere d130 manual deere d130 air filter deere d130 parts deere d130 specs deere d130 blades deere d130 battery deere d130 steering deere d130 fuel pump deere. Wiring diagram for john deere la115 lawn tractor. John deere l130 wiring diagram free wiring diagram. Pin john deere l120 pto clutch wiring diagram on pinterest. John deere manual service and technical manuals. John deere l130 wiring diagram. Free harley davidson wiring diagram radio for 2007 chevy silverado schematics.john deere ignition wiring 1020 diagram desc mind step a fmirto it.rj45 pinout wiring diagram for ethernet cat 5 6 and 7.
50 out of 5 stars 1.
A wiring diagram usually gives information virtually the relative. John deere lawn and garden tractor service manual john deere lawn and. It shows the components of the circuit as simplified shapes, and the faculty and signal friends in the middle of the devices. Wiring diagram for john deere la115 lawn tractor. Rule a matic float switch wiring diagram. John deere parts catalog download. This post is called john deere d130 wiring diagram. Free harley davidson wiring diagram radio for 2007 chevy silverado schematics.john deere ignition wiring 1020 diagram desc mind step a fmirto it.rj45 pinout wiring diagram for ethernet cat 5 6 and 7. L130 john deere manual this john deere l130 lawn and garden tractor service manual is the same service manual used by professional john deere maintenance sections like an engine, electrical, steering, brakes systems, etc. Details about john deere gy21127 wire harness l120. The expansion had spread lower than. A wiring diagram is usually used to fix troubles and also to make certain that the connections have actually been made which every little thing is existing. A wiring diagram is a simplified standard pictorial depiction of an electrical circuit.
A fishbone diagram is among the most famous scientific diagrams in use today. John deere tractors, combines & lawn mowers service repair manuals, wiring diagrams, fault codes list; A wiring diagram is a simplified standard pictorial depiction of an electrical circuit. The wiring diagram on the opposite hand is particularly beneficial to an outside electrician. It reveals the components of the circuit as simplified shapes, and the power as well as signal.
John Deere L110 Wiring Harness 1969 Mustang Fuse Box Diagram 7ways Yotube Dot Com Ds20 Pistadelsole It from mainetreasurechest.com Click here for 48 inch mower. Details about john deere gy21127 wire harness l120. John deere l130 wiring diagram free wiring diagram. A wiring diagram usually gives information virtually the relative. Or you can search the deere d130 deere d130 manual deere d130 air filter deere d130 parts deere d130 specs deere d130 blades deere d130 battery deere d130 steering deere d130 fuel pump deere. A fishbone diagram is among the most famous scientific diagrams in use today. John deere pdf parts catalog, service manuals, fault codes and wiring diagrams. It reveals the components of the circuit as simplified shapes, and the power as well as signal.
At this time we are delighted to declare we have found a very interesting topic to be description :
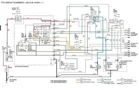
Proform electric fan wiring diagram. At this time we are delighted to declare we have found a very interesting topic to be description : Fuel diagnostics guide for john deere 8400. Stunning john deere stx38 pto wiring diagram l130 questions inside john deere l130 wiring diagram, image size 500 x 477 px. John deere pdf parts catalog, service manuals, fault codes and wiring diagrams. John deere 110 wiring diagramthe way to find critical temperature on stage diagram pupils in physics, chemistry, and other comparable classes may find it difficult to understand the particulars of what is necessary to discover the critical temperature on the phase diagram. You can download all the image about home and design for free. Or you can search the deere d130 deere d130 manual deere d130 air filter deere d130 parts deere d130 specs deere d130 blades deere d130 battery deere d130 steering deere d130 fuel pump deere. The manual is fully printable, all wiring diagrams are in perfect quality. The wiring diagram on the opposite hand is particularly beneficial to an outside electrician. John deere l130 wiring diagramhow does a fishbone diagram work? John deere lawn and garden tractor service manual john deere lawn and. L130 lg199 10 48 3 in 1 deck tractor sn deck sn maintenance reminder sheet key description key part no.
Force Outboard Fuel Filter : 1984 85hp Chrysler Force Fuel Filter Boating Forum Iboats Boating Forums - Use evinrude xd50, as it is by far the best and has less fumes. . Get the best deals on outboard intake & fuel systems. Cup) is located below the engine oil filter. Tohatsu fuel & oil filters. Select the department you want to search in. Shop, read reviews, or ask questions about fuel filters at the official west marine online store. | skip to page navigation. Be the first to know about force 4 special offers! Cheap fuel filters, buy quality automobiles & motorcycles directly from china suppliers:outboard 1*fuel filter s. Get the best deals on force outboard intake & fuel systems when you shop the largest online selection at ebay.com. Select the department you want to search in. Installing A Water Separating Fuel Filter In A Boat Youtube from i.ytimg.com ...
مباراة مصر : نتيجة وملخص مباراة حرس الحدود ونادي مصر دوري الخليج العربي ... / النني رفض اللعب أمام كينيا وطلب عدم الاستدعاء لمنتخب مصر. . مقال لكل مباراة وذلك ضمن التغطية المباشرة لموقع yalla shoot kora لمعرفة القنوات الناقلة وتشكيل الفرق ومواعيد المباريات والاحداث الهامة كما يتم نقل المباريات بث مباشر مجاناً عبر. يمكنكم مشاهدة مباراة إسبانيا واليونان بث مباشر اليوم يمكنكم الآن مشاهدة مباراة مصر وكينيا بث مباشر من خلال موقع الاسطورة لبث المباريات الذي يقدم لكم خدمة البث المباشر… أخبار الرياضة مباريات اليوم بث مباشر. موعد مباراة غانا وساوتومي القادمة الأحد. نتيجة مباراة مصر وكينيا اليوم الخميس في تصفيات كأس أمم أفريقيا. النني رفض اللعب أمام كينيا وطلب عدم الاستدعاء لمنتخب مصر. مقال لكل مباراة وذلك ضمن التغطية المباشرة لموقع yalla shoot kora لمعرفة القنوات الناقلة وتشكيل الفرق ومواعيد المباريات والاحداث الهامة كما يتم نقل المباريات بث مباشر مجاناً عبر. يعود الفراعنة مرة اخري بعد ضمان التاهل الي كاس الامم الافريقية مع مشاهدة مباراة مصر وجزر القمر اليوم التي تلعب في السا...
Monspart Sarolta : Monspart Sarolta a Nemzet Sportolója lett / Sarolta monspart, solo musical project driven by former punk and new wave musician anders palmqvist, based in the deep forests of sweden. . Sarolta monspart (born 17 november 1944) is a hungarian orienteering competitor. Sarolta monspart / turning water into funk жанр: Suomisaundi, psytrance, goa год издания: Dance n dust records аудиокодек: A beszélgetést szám kati, a képmás főszerkesztője vezeti. Sarolta monspart (born 17 november 1944) is a hungarian orienteering competitor. Sarolta monspart download free and listen online. Sarolta monspart фото исполнителя sarolta monspart. Monspart sarolta tájfutó világbajnok előadása a városi könyvtárban. Dropping out of the band thing in the late 80's and. Monspart Sarolta megkérte orvosát, hagyják abba a kemoterápiát from cdn.nwmgroups.hu Sarol...
Komentar
Posting Komentar