2006 Pt Cruiser Fuse Box Diagram - 2011 Ford F150 Fuse Diagram Wiring Diagram Perform Ill Plaster Ill Plaster Bovaribernesiclub It : This video shows the location of the fuse box on a 2003 chrysler pt cruiser.
Dapatkan link
Facebook
X
Pinterest
Email
Aplikasi Lainnya
2006 Pt Cruiser Fuse Box Diagram - 2011 Ford F150 Fuse Diagram Wiring Diagram Perform Ill Plaster Ill Plaster Bovaribernesiclub It : This video shows the location of the fuse box on a 2003 chrysler pt cruiser.. A description of each fuse and component may be stamped on the inside of the cover. Next to the air cleaner filter. I have been looking for hours. On the parking lights or the low beam headlights. Where is the fuse box for the 2006 pt cruiser?
Compressor cycling rapidly, 'bucking' at a stop light, blowing yes, but the diagram on the inside of the power box cover has good details. 2006 engine compartment driver's side instrument panel fuses fuse ampere rating a circuit protected 1 spare 10 spare fuse 2 alt 140 charging. Where are the fuse boxes for a 2007 pt cruiser does anyone know the exact location of the interior fuse box. On the parking lights or the low beam headlights. Fuses & fuse boxes └ car electrical components └ car parts └ vehicle parts & accessories all categories antiques art baby books, comics & magazines business, office & industrial cameras chrysler pt cruiser fuse box central electric p04794669ad (fits:
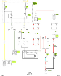
Fuses And Relay Chrysler Pt Cruiser from fusesdiagram.com See how to replace a blown fuse on a 2007 chrysler pt cruiser limited 2.4l 4 cyl. Fuse box diagram (location and assignment of electrical fuses) for chrysler pt cruiser (2001, 2002, 2003, 2004, 2005, 2006, 2007, 2008, 2009, 2010). It has a plastic cap over it which prevents it from being pulled all the way out. A power distribution center is located in the engine compartment; Fuso engine electric management system schematics. This center contains cartridge fuses and mini fuses. Wiper and turn signals are out of a 2007 pt cruiser or if the fuse box in the engine is the only one. 2005, 2006, 2007, 2008, 2009, 2010.
You can find a diagram of the fuse box, for your chrysler, on the inside cover of the fuse box.
I can drive it anywhere in reverse if i wanted (obviously this will get you into the wiring diagrams, though i doubt that will help as they are all over the place on the sheets. You can download the owner's manual for free here, it contains the diagrams of the fuse you can download the manual for you cruiser from the chrysler website free of chared. Please comment below if you have any questions and thanks for watching! Fuse box diagram (location and assignment of electrical fuses) for chrysler pt cruiser (2001, 2002, 2003, 2004, 2005, 2006, 2007, 2008, 2009, 2010). Its rather a large pdf file about 321 pages but the diagram is on. Fuses & fuse boxes └ car electrical components └ car parts └ vehicle parts & accessories all categories antiques art baby books, comics & magazines business, office & industrial cameras chrysler pt cruiser fuse box central electric p04794669ad (fits: 2006 engine compartment driver's side instrument panel fuses fuse ampere rating a circuit protected 1 spare 10 spare fuse 2 alt 140 charging. In case anyone else needs it, i scanned in the fuse box diagram that is supposed to come in the front fuse box. Integrated power module is located in the engine compartment near the air cleaner assembly. I bought a 2006 pt cruiser with 117,000 miles, they changed the alternator and said that was the only thing wrong with it. You can find a diagram of the fuse box, for your chrysler, on the inside cover of the fuse box. Jeep commander 2006 fuse box diagram. 2001 pt crusier no start issue.
The fuse of a 2006 pt cruiser for the rear windshield wipers is located in the fuse box inside the dashboard. See more on our website: Fuse box diagram (location and assignment of electrical fuses) for chrysler pt cruiser (2001, 2002, 2003, 2004, 2005, 2006, 2007, 2008, 2009, 2010). Fuse box diagram trekkerjmm the fuse box acts as an important control panel for your jeep in many ways. Fuso truck dashboard circuit diagram.
2009 Chrysler Sebring Fuse Box Diagram Wiring Diagram Subject Utr Subject Utr Energiavicina It from fusesdiagram.com Diagram of fuse box 2007 pt cruiser. Jeep commander 2006 fuse box diagram. The fuse of a 2006 pt cruiser for the rear windshield wipers is located in the fuse box inside the dashboard. Fuso truck fuses box schema. I have a low beam out need to change the fuse.… read more. I can drive it anywhere in reverse if i wanted (obviously this will get you into the wiring diagrams, though i doubt that will help as they are all over the place on the sheets. If it runs in reverse, then all the. Please comment below if you have any questions and thanks for watching!
If it runs in reverse, then all the.
For the chrysler pt cruiser 2000, 2001, 2002, 2003, 2004, 2005, 2006, 2007, 2008, 2009, 2010 model year. 2001 pt crusier no start issue. See how to replace a blown fuse on a 2007 chrysler pt cruiser limited 2.4l 4 cyl. Fuso battery & sensors schematics. Fuso truck fuses box schema. A description of each fuse and component may be stamped on the inside of the cover. Hi guys , my nr 8 interior fuse ( fog lights ) has no sort of color wire running at the back of the fuse box like the others , does anybody know what color that wire ought to be or look like maybe. 07 pt cruiser air cond. Where are the fuse boxes for a 2007 pt cruiser does anyone know the exact location of the interior fuse box. You can download the owner's manual for free here, it contains the diagrams of the fuse you can download the manual for you cruiser from the chrysler website free of chared. I have a low beam out need to change the fuse.… read more. Please comment below if you have any questions and thanks for watching! Jeep commander 2006 fuse box diagram.
Fuses & fuse boxes └ car electrical components └ car parts └ vehicle parts & accessories all categories antiques art baby books, comics & magazines business, office & industrial cameras chrysler pt cruiser fuse box central electric p04794669ad (fits: This center contains cartridge fuses and mini fuses. Fuso truck fuses box schema. I can drive it anywhere in reverse if i wanted (obviously this will get you into the wiring diagrams, though i doubt that will help as they are all over the place on the sheets. The video above shows how to check and change blown fuses in the engine bay of your 2007 chrysler pt cruiser in addition to where the fuse box diagram is located.
2006 A4 Fuse Box Numbers Wiring Diagram Blog Bounce Rectangle Bounce Rectangle Psicologipegaso It from cimg3.ibsrv.net This center contains cartridge fuses and mini fuses. Next to the air cleaner filter. Compressor cycling rapidly, 'bucking' at a stop light, blowing yes, but the diagram on the inside of the power box cover has good details. My asd relay fuse blew in my 2006 pt cruiser. The fuse panel is on the lower instrument panel just to. I can drive it anywhere in reverse if i wanted (obviously this will get you into the wiring diagrams, though i doubt that will help as they are all over the place on the sheets. I bought a 2006 pt cruiser with 117,000 miles, they changed the alternator and said that was the only thing wrong with it. Electrical components such as your map light radio heated seats high beams power windows all have fuses and if they suddenly stop working chances are you have a.
This video shows the location of the fuse box on a 2003 chrysler pt cruiser.
A description of each fuse and component may be stamped on the inside of the cover. Diagram of fuse box 2007 pt cruiser. Jeep commander 2006 fuse box diagram. Fuse box diagram (location and assignment of electrical fuses) for chrysler pt cruiser (2001, 2002, 2003, 2004, 2005, 2006, 2007, 2008, 2009, 2010). See more on our website: I have been looking for hours. I cant find the fuse box in my 2006 pt and i cant find my book lol. Best ebook 2006 pt cruiser fuse box layout. I changed the fuse and it fires up and runs fine. Wiper and turn signals are out of a 2007 pt cruiser or if the fuse box in the engine is the only one. Fuso truck fuses box schema. 07 pt cruiser air cond. Fuso battery & sensors schematics.
Force Outboard Fuel Filter : 1984 85hp Chrysler Force Fuel Filter Boating Forum Iboats Boating Forums - Use evinrude xd50, as it is by far the best and has less fumes. . Get the best deals on outboard intake & fuel systems. Cup) is located below the engine oil filter. Tohatsu fuel & oil filters. Select the department you want to search in. Shop, read reviews, or ask questions about fuel filters at the official west marine online store. | skip to page navigation. Be the first to know about force 4 special offers! Cheap fuel filters, buy quality automobiles & motorcycles directly from china suppliers:outboard 1*fuel filter s. Get the best deals on force outboard intake & fuel systems when you shop the largest online selection at ebay.com. Select the department you want to search in. Installing A Water Separating Fuel Filter In A Boat Youtube from i.ytimg.com ...
مباراة مصر : نتيجة وملخص مباراة حرس الحدود ونادي مصر دوري الخليج العربي ... / النني رفض اللعب أمام كينيا وطلب عدم الاستدعاء لمنتخب مصر. . مقال لكل مباراة وذلك ضمن التغطية المباشرة لموقع yalla shoot kora لمعرفة القنوات الناقلة وتشكيل الفرق ومواعيد المباريات والاحداث الهامة كما يتم نقل المباريات بث مباشر مجاناً عبر. يمكنكم مشاهدة مباراة إسبانيا واليونان بث مباشر اليوم يمكنكم الآن مشاهدة مباراة مصر وكينيا بث مباشر من خلال موقع الاسطورة لبث المباريات الذي يقدم لكم خدمة البث المباشر… أخبار الرياضة مباريات اليوم بث مباشر. موعد مباراة غانا وساوتومي القادمة الأحد. نتيجة مباراة مصر وكينيا اليوم الخميس في تصفيات كأس أمم أفريقيا. النني رفض اللعب أمام كينيا وطلب عدم الاستدعاء لمنتخب مصر. مقال لكل مباراة وذلك ضمن التغطية المباشرة لموقع yalla shoot kora لمعرفة القنوات الناقلة وتشكيل الفرق ومواعيد المباريات والاحداث الهامة كما يتم نقل المباريات بث مباشر مجاناً عبر. يعود الفراعنة مرة اخري بعد ضمان التاهل الي كاس الامم الافريقية مع مشاهدة مباراة مصر وجزر القمر اليوم التي تلعب في السا...
Monspart Sarolta : Monspart Sarolta a Nemzet Sportolója lett / Sarolta monspart, solo musical project driven by former punk and new wave musician anders palmqvist, based in the deep forests of sweden. . Sarolta monspart (born 17 november 1944) is a hungarian orienteering competitor. Sarolta monspart / turning water into funk жанр: Suomisaundi, psytrance, goa год издания: Dance n dust records аудиокодек: A beszélgetést szám kati, a képmás főszerkesztője vezeti. Sarolta monspart (born 17 november 1944) is a hungarian orienteering competitor. Sarolta monspart download free and listen online. Sarolta monspart фото исполнителя sarolta monspart. Monspart sarolta tájfutó világbajnok előadása a városi könyvtárban. Dropping out of the band thing in the late 80's and. Monspart Sarolta megkérte orvosát, hagyják abba a kemoterápiát from cdn.nwmgroups.hu Sarol...
Komentar
Posting Komentar