Start Stop Wiring Diagram Motor - Basic Control Circuits Three Wire Control Circuits Electric Equipment - How to wire a contactor and overload start stop 3 phase motor control.
Dapatkan link
Facebook
X
Pinterest
Email
Aplikasi Lainnya
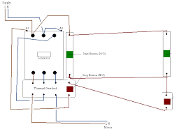
Start Stop Wiring Diagram Motor - Basic Control Circuits Three Wire Control Circuits Electric Equipment - How to wire a contactor and overload start stop 3 phase motor control.. How to wire start stop station. The start button is normally open and the stop button is normally closed. This video guides you how the stop/start motor control circuits wiring done. 18 696 просмотров 18 тыс. The contacts are opened by pressing the stop button.
3 wire start stop wiring diagram elec eng world diagram. From left to right first 2 wires tach coil(speed regulating). Each component should be set and linked to different parts in specific manner. Use the top diagram to help you figure out how to wire it. 4 wire reversible psc motor with a triple pole double throw switch.
Basic Wiring For Motor Control Technical Data Guide Eep from electrical-engineering-portal.com Universal motors have high starting torque, can run at high speed, and are lightweight and compact. Circuit and indicates their function. The limitation to the first circuit is that the load current flows through the control pushbuttons. The vfds are working based on changing the input frequency and input voltage of the motor, we can change the speed of the motor. System diagram, starter motor, solenoid, starter relay, neutral what are the symptoms of a bad starter motor: So for a project i need to be able to start and stop a fan with a pushbutton, and adjust the speed with a pot. Wiring diagram a wiring diagram shows, as closely as possible, the actual location of all component parts of the device. Pushing the start button mechanically closes the contacts, connecting the motor to the line.
There's a diagram shown in the process.
Wiring diagrams or connection diagrams include all of the devices in the system and show their physical relation to each other. The drawing for vfd start stop wiring diagram from panel.vfds are called as variable frequency drive or variable voltage variable frequency drive. 18 696 просмотров 18 тыс. There's a diagram shown in the process. 3ø wiring diagrams diagram dd1. Wiring diagram a wiring diagram shows, as closely as possible, the actual location of all component parts of the device. Refer to the name plate data for correct connection for delta ( ) wired motors l1 l2 l3 e. See image below for an example of 3 wire control being used to pull in a contactor to start a 3 phase motor. Note that additional pushbuttons may be added as required—run pushbuttons are connected in parallel, but stop pushbuttons must be connected in series. Pushing the start button mechanically closes the contacts, connecting the motor to the line. I put the code together and wired it all up, but when i run the program, the motor will start but will not always turn off. From left to right first 2 wires tach coil(speed regulating). There's a diagram shown in the process.
When starting a car with a fully charged battery sometimes the starter control terminal gets corroded (in the photo) or a starter control wire gets loose. Im trying to understand the concept of physically wiring a start/stop switch with a relay to control a motor. Electrical panel wiring electrical circuit diagram electrical plan electrical installation electrical engineering books electrical projects diy electronics. Ac80, ac90, ac100 single phase motors. Refer to the motor manufacturer's data on the motor for wiring diagrams on standard frame ex e, ex d etc.
3 Phase Transformer Wiring Diagram Start Stop Motor Control Diagram Base Website Motor Control Venndiagrammath Unterbruedern De from venndiagrammath.unterbruedern.de Wiring diagrams or connection diagrams include all of the devices in the system and show their physical relation to each other. 4 wire reversible psc motor with a triple pole double throw switch. A wiring diagram of a dol starter is shown below: 1 phase & 3 phase wiring. So for a project i need to be able to start and stop a fan with a pushbutton, and adjust the speed with a pot. Basic motor control 3 wire start stop circuit. Start and stop the motor from any location. Note that additional pushbuttons may be added as required—run pushbuttons are connected in parallel, but stop pushbuttons must be connected in series.
I cant find any diagrams on google or on the.
Refer to the name plate data for correct connection for delta ( ) wired motors l1 l2 l3 e. Note that additional pushbuttons may be added as required—run pushbuttons are connected in parallel, but stop pushbuttons must be connected in series. Power & control wiring trending. I'm not terribly proficient at reading wiring diagrams, obviously. Use the top diagram to help you figure out how to wire it. They are commonly used in portable power. Basic motor control 3 wire start stop circuit. Siemens logo starter kit ►goo.gl/mrwzkj logo programming cable ►goo.gl/dnvq2x logo software ►goo.gl/qzk30l siemens logo 8 ►goo.gl/lmymlehere siemens logo how to control a 3 phase motor. I cant find any diagrams on google or on the. 4 wire reversible psc motor with a triple pole double throw switch. Educational video for multiple start stop control circuit with actual wiring of motor controls electric motors consume almost 50%. Sometimes pushing the button will register, most of the time it won't. Ac80, ac90, ac100 single phase motors.
Motor control start stop wiring diagram. Ac80, ac90, ac100 single phase motors. Use the top diagram to help you figure out how to wire it. Different starting methods are employed for starting induction motors because induction motor draws more the simplest form of motor starter for the induction motor is the direct on line starter. Electrical panel wiring electrical circuit diagram electrical plan electrical installation electrical engineering books electrical projects diy electronics.
3 Phase Contactor Wiring Diagram In 3 Phase Start Stop Wiring Diagram Fuse Box Diagram Cool Photos from i.pinimg.com Ac80, ac90, ac100 single phase motors. How a car starting system works: Educational video for multiple start stop control circuit with actual wiring of motor controls electric motors consume almost 50%. From left to right first 2 wires tach coil(speed regulating). Electrical panel wiring electrical circuit diagram electrical plan electrical installation electrical engineering books electrical projects diy electronics. When starting a car with a fully charged battery sometimes the starter control terminal gets corroded (in the photo) or a starter control wire gets loose. 18 696 просмотров 18 тыс. The limitation to the first circuit is that the load current flows through the control pushbuttons.
3 wire start stop wiring diagram elec eng world diagram.
There's a diagram shown in the process. A maintained overload on any one of the motors will drop out. Universal motors have high starting torque, can run at high speed, and are lightweight and compact. Motor start/stop function block diagram (fbd). Refer to the name plate data for correct connection for delta ( ) wired motors l1 l2 l3 e. This video guides you how the stop/start motor control circuits wiring done. 1 phase & 3 phase wiring. The drawing for vfd start stop wiring diagram from panel.vfds are called as variable frequency drive or variable voltage variable frequency drive. They are commonly used in portable power. Will a hard start capacitor reduce current drawn and stop tripping a breaker. So for a project i need to be able to start and stop a fan with a pushbutton, and adjust the speed with a pot. From left to right first 2 wires tach coil(speed regulating). Ac80, ac90, ac100 single phase motors.
The start button is normally open and the stop button is normally closed start stop wiring diagram. Note that additional pushbuttons may be added as required—run pushbuttons are connected in parallel, but stop pushbuttons must be connected in series.
Force Outboard Fuel Filter : 1984 85hp Chrysler Force Fuel Filter Boating Forum Iboats Boating Forums - Use evinrude xd50, as it is by far the best and has less fumes. . Get the best deals on outboard intake & fuel systems. Cup) is located below the engine oil filter. Tohatsu fuel & oil filters. Select the department you want to search in. Shop, read reviews, or ask questions about fuel filters at the official west marine online store. | skip to page navigation. Be the first to know about force 4 special offers! Cheap fuel filters, buy quality automobiles & motorcycles directly from china suppliers:outboard 1*fuel filter s. Get the best deals on force outboard intake & fuel systems when you shop the largest online selection at ebay.com. Select the department you want to search in. Installing A Water Separating Fuel Filter In A Boat Youtube from i.ytimg.com ...
مباراة مصر : نتيجة وملخص مباراة حرس الحدود ونادي مصر دوري الخليج العربي ... / النني رفض اللعب أمام كينيا وطلب عدم الاستدعاء لمنتخب مصر. . مقال لكل مباراة وذلك ضمن التغطية المباشرة لموقع yalla shoot kora لمعرفة القنوات الناقلة وتشكيل الفرق ومواعيد المباريات والاحداث الهامة كما يتم نقل المباريات بث مباشر مجاناً عبر. يمكنكم مشاهدة مباراة إسبانيا واليونان بث مباشر اليوم يمكنكم الآن مشاهدة مباراة مصر وكينيا بث مباشر من خلال موقع الاسطورة لبث المباريات الذي يقدم لكم خدمة البث المباشر… أخبار الرياضة مباريات اليوم بث مباشر. موعد مباراة غانا وساوتومي القادمة الأحد. نتيجة مباراة مصر وكينيا اليوم الخميس في تصفيات كأس أمم أفريقيا. النني رفض اللعب أمام كينيا وطلب عدم الاستدعاء لمنتخب مصر. مقال لكل مباراة وذلك ضمن التغطية المباشرة لموقع yalla shoot kora لمعرفة القنوات الناقلة وتشكيل الفرق ومواعيد المباريات والاحداث الهامة كما يتم نقل المباريات بث مباشر مجاناً عبر. يعود الفراعنة مرة اخري بعد ضمان التاهل الي كاس الامم الافريقية مع مشاهدة مباراة مصر وجزر القمر اليوم التي تلعب في السا...
Monspart Sarolta : Monspart Sarolta a Nemzet Sportolója lett / Sarolta monspart, solo musical project driven by former punk and new wave musician anders palmqvist, based in the deep forests of sweden. . Sarolta monspart (born 17 november 1944) is a hungarian orienteering competitor. Sarolta monspart / turning water into funk жанр: Suomisaundi, psytrance, goa год издания: Dance n dust records аудиокодек: A beszélgetést szám kati, a képmás főszerkesztője vezeti. Sarolta monspart (born 17 november 1944) is a hungarian orienteering competitor. Sarolta monspart download free and listen online. Sarolta monspart фото исполнителя sarolta monspart. Monspart sarolta tájfutó világbajnok előadása a városi könyvtárban. Dropping out of the band thing in the late 80's and. Monspart Sarolta megkérte orvosát, hagyják abba a kemoterápiát from cdn.nwmgroups.hu Sarol...
Komentar
Posting Komentar