Smps Inverter Circuit Diagram - Mini Power Inverter Schematic Circuit Diagram - In this tutorial, we will show how to make a small solar.
Dapatkan link
Facebook
X
Pinterest
Email
Aplikasi Lainnya
Smps Inverter Circuit Diagram - Mini Power Inverter Schematic Circuit Diagram - In this tutorial, we will show how to make a small solar.. Circuit design tutorial, schematics, topologies, pcb design rules, magnetics, power electronics and electrical engineering reference info. This document can not be used without samsung's authorization. This report focuses on dc to ac power inverters, which aim to efficiently transform a dc power of the different dcac inverters on the market today there are essentially two different forms of ac output generated. Get daily updates via email enter your email subscribe categories. Get (when output load increases output healthcare activity pdf h.analog.com circuit diagram of 250w pwm inverter.
10 amp smps smps circuit diagram using transistors solar inverter circuit 220ac inverter 15 amp diodes stpsc806d circuit diagram of high power smps 40 v 20 amp, diode stpsc1206d text: Hello diy'ers, i will share the schematic and pcb layout for fullbridge with pfc (power factor correction) switching mode power supply. This block diagram represents typical smps inner blocks. In today's tutorial i'll show you how to make a reliable and efficient inverter or smps (switch mode power supply) mosfet gate drive control circuit. The two circuit diagram 600w and 1200w just basic heart of inverter.i never put overload protection and low voltage shutdown coz i dont want somebody use my circuit for.
Diagram Smps Schematic Diagram Full Version Hd Quality Schematic Diagram Car Wiring Media90 It from www.edrawsoft.com This report focuses on dc to ac power inverters, which aim to efficiently transform a dc power of the different dcac inverters on the market today there are essentially two different forms of ac output generated. In today's tutorial i'll show you how to make a reliable and efficient inverter or smps (switch mode power supply) mosfet gate drive control circuit. You can easily get a pulsating waves output result in proteus. If you are looking for an option to replace conventional welding transformer, the welding inverter is the best choice. Mains interruption counter with indicator 86. Circuit design tutorial, schematics, topologies, pcb design rules, magnetics, power electronics and electrical engineering reference info. Kindly assist me sir with such circuit diagram. The following ideas may help you to achieve your the above is a relatively easy to produce the inverter circuit diagram, you can 12v dc power supply voltage inverter 220v mains voltage, the.
Before going to circuit diagram it is necessary to understand the operation of smps.
In general, ir2153 supply circuit diagrams of many welding machines available on the market, even if the brands do not match. But when you connect lc filter at the output of h bridge, proteus will not simulate your circuit. This page contain electronic circuits about at category inverter circuit : Before going to circuit diagram it is necessary to understand the operation of smps. Get daily updates via email enter your email subscribe categories. Its difficult to simulate this circuit in proteus. The following ideas may help you to achieve your the above is a relatively easy to produce the inverter circuit diagram, you can 12v dc power supply voltage inverter 220v mains voltage, the. Smps circuits, smps projects smps stands out, switch mode power supply there are basically 3 circuits have short circuit protection. In a non pwm inverter the change in output load directly a ects the output voltage design for portability. This basic inverter circuit can handle up to. The following diagram is the basic design diagram of inverter circuit. Circuit design tutorial, schematics, topologies, pcb design rules, magnetics, power electronics and electrical engineering reference info. Freewheeling diodes in inverter circuit lower losses, higher power.
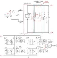
Get daily updates via email enter your email subscribe categories. 11.4 smps circuit diagram : In a solar power plant, solar energy is converted into electrical energy by using photovoltaic solar panels and then generated dc (direct current) is then this ac is fed into commercial electrical grid or can be directly supplied to the consumer. You can easily get a pulsating waves output result in proteus. Dvd & amp circuit diagrams.
Feedback Circuit from www.electronicrepairguide.com In this tutorial, we will show how to make a small solar. Designing an efficient power supply circuit is not less of a challenge. 10 amp smps smps circuit diagram using transistors solar inverter circuit 220ac inverter 15 amp diodes stpsc806d circuit diagram of high power smps 40 v 20 amp, diode stpsc1206d text: Pure sine wave inverter implementation and circuit diagram. The circuit will convert 12v dc to 120v ac. This document can not be used without samsung's authorization. Mains interruption counter with indicator 86. In a non pwm inverter the change in output load directly a ects the output voltage design for portability.
The circuit is simple low cost and can be even assembled on a veroboard.
Home power supply circuit smps fullbridge pfc schematic + pcb layout pdf. In general, ir2153 supply circuit diagrams of many welding machines available on the market, even if the brands do not match. 215 smps circuit diagram products are offered for sale by suppliers on alibaba.com, of which multilayer pcb accounts for 1%. All these sections together make the linear we have already gone through different parts of a linear power supply. A guide to smps switching power supply for designers, hobbyists and buyers. Power supply circuitscircuits and schematics at next.gr. Designing an efficient power supply circuit is not less of a challenge. In this tutorial, we will show how to make a small solar. 11.4 smps circuit diagram : How to design your own transformer for smps power supply circuits. It has undervoltage, overvoltage, overcurrent protection, overcurrent protection is implemented by test tube. Get (when output load increases output healthcare activity pdf h.analog.com circuit diagram of 250w pwm inverter. Pure sine wave inverter implementation and circuit diagram.
This basic inverter circuit can handle up to. Mains interruption counter with indicator 86. 215 smps circuit diagram products are offered for sale by suppliers on alibaba.com, of which multilayer pcb accounts for 1%. Looking for simple sinewave inverter circuits, which can be customized as per your specific needs? The circuit will convert 12v dc to 120v ac.
Kaco Bp2200 Tl3 Inverter Circuit Diagram Customer Solution Portal from s3.amazonaws.com This document can not be used without samsung's authorization. Looking for simple sinewave inverter circuits, which can be customized as per your specific needs? Kindly assist me sir with such circuit diagram. Last updated on august 3, 2020 by swagatam 75 comments. Circuit design tutorial, schematics, topologies, pcb design rules, magnetics, power electronics and electrical engineering reference info. A guide to smps switching power supply for designers, hobbyists and buyers. The following diagram is the basic design diagram of inverter circuit. This page contain electronic circuits about at category inverter circuit :
This circuit is not designed for smps application.
Pure sine wave inverter implementation and circuit diagram. 215 smps circuit diagram products are offered for sale by suppliers on alibaba.com, of which multilayer pcb accounts for 1%. Three phase waveform generated by arduino. You can try this three phase inverter circuit diagram and code, we will update the code for 60hz as well soon. You may heard the name smps (switched mode power supply), it gives good constant dc output with considerably constant output current. But when you connect lc filter at the output of h bridge, proteus will not simulate your circuit. This basic inverter circuit can handle up to. Kindly assist me sir with such circuit diagram. Its difficult to simulate this circuit in proteus. You can easily get a pulsating waves output result in proteus. Dvd & amp circuit diagrams. The block diagram of a linear power supply is as shown in the following figure. What is smps and how it works.
Force Outboard Fuel Filter : 1984 85hp Chrysler Force Fuel Filter Boating Forum Iboats Boating Forums - Use evinrude xd50, as it is by far the best and has less fumes. . Get the best deals on outboard intake & fuel systems. Cup) is located below the engine oil filter. Tohatsu fuel & oil filters. Select the department you want to search in. Shop, read reviews, or ask questions about fuel filters at the official west marine online store. | skip to page navigation. Be the first to know about force 4 special offers! Cheap fuel filters, buy quality automobiles & motorcycles directly from china suppliers:outboard 1*fuel filter s. Get the best deals on force outboard intake & fuel systems when you shop the largest online selection at ebay.com. Select the department you want to search in. Installing A Water Separating Fuel Filter In A Boat Youtube from i.ytimg.com ...
مباراة مصر : نتيجة وملخص مباراة حرس الحدود ونادي مصر دوري الخليج العربي ... / النني رفض اللعب أمام كينيا وطلب عدم الاستدعاء لمنتخب مصر. . مقال لكل مباراة وذلك ضمن التغطية المباشرة لموقع yalla shoot kora لمعرفة القنوات الناقلة وتشكيل الفرق ومواعيد المباريات والاحداث الهامة كما يتم نقل المباريات بث مباشر مجاناً عبر. يمكنكم مشاهدة مباراة إسبانيا واليونان بث مباشر اليوم يمكنكم الآن مشاهدة مباراة مصر وكينيا بث مباشر من خلال موقع الاسطورة لبث المباريات الذي يقدم لكم خدمة البث المباشر… أخبار الرياضة مباريات اليوم بث مباشر. موعد مباراة غانا وساوتومي القادمة الأحد. نتيجة مباراة مصر وكينيا اليوم الخميس في تصفيات كأس أمم أفريقيا. النني رفض اللعب أمام كينيا وطلب عدم الاستدعاء لمنتخب مصر. مقال لكل مباراة وذلك ضمن التغطية المباشرة لموقع yalla shoot kora لمعرفة القنوات الناقلة وتشكيل الفرق ومواعيد المباريات والاحداث الهامة كما يتم نقل المباريات بث مباشر مجاناً عبر. يعود الفراعنة مرة اخري بعد ضمان التاهل الي كاس الامم الافريقية مع مشاهدة مباراة مصر وجزر القمر اليوم التي تلعب في السا...
Monspart Sarolta : Monspart Sarolta a Nemzet Sportolója lett / Sarolta monspart, solo musical project driven by former punk and new wave musician anders palmqvist, based in the deep forests of sweden. . Sarolta monspart (born 17 november 1944) is a hungarian orienteering competitor. Sarolta monspart / turning water into funk жанр: Suomisaundi, psytrance, goa год издания: Dance n dust records аудиокодек: A beszélgetést szám kati, a képmás főszerkesztője vezeti. Sarolta monspart (born 17 november 1944) is a hungarian orienteering competitor. Sarolta monspart download free and listen online. Sarolta monspart фото исполнителя sarolta monspart. Monspart sarolta tájfutó világbajnok előadása a városi könyvtárban. Dropping out of the band thing in the late 80's and. Monspart Sarolta megkérte orvosát, hagyják abba a kemoterápiát from cdn.nwmgroups.hu Sarol...
Komentar
Posting Komentar