Msd 6Al Wiring Diagram Hei : Chevy Hei Mallory Wiring Diagram Msd Wiring Diagram Brown Cloud A Brown Cloud A Ristruttura4 0 It : Msd 6al ignition box msd digital 6al with rev limiter sbc bbc sbf 6425.
Dapatkan link
Facebook
X
Pinterest
Email
Aplikasi Lainnya
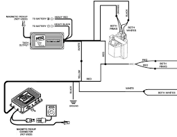
Msd 6Al Wiring Diagram Hei : Chevy Hei Mallory Wiring Diagram Msd Wiring Diagram Brown Cloud A Brown Cloud A Ristruttura4 0 It : Msd 6al ignition box msd digital 6al with rev limiter sbc bbc sbf 6425.. There are three different large cap hei distributors. Manuals and user guides for msd 6al 6425. With a msd modules, the ignition module wires you need to know about are: Basic tips, tricks & tools for wiring your vehicle. The engine has an hei distributor with a 4 pin module.
Ive got the correct diagram now if you want it. The engine needs to be fed the proper amounts of air, fuel, and spark. I replaced my streetfire hei system with the 6al and a. However, most of these threads have more relays and wiring than i thought necessary for this setup. Msd believes that customer service does not end at just producing the best ignition components available, helping our customers is there are three different large cap hei distributors.
Diagram Msd 6a Wiring Diagram Gm Hei Full Version Hd Quality Gm Hei Tonightdiagramreach B2bnetwork It from static-resources.imageservice.cloud Msd 6al ignition box msd digital 6al with rev limiter sbc bbc sbf 6425. Hei to msd 6al should i? Cars are filled with stuff that can make or break performance. There are three different large cap hei distributors. A wiring diagram to connect the msd power grid system controller to a 6al can be found in the instructions for the system controller, pn 7730. The 6al has a soft touch rev control to protect your engine. Manuals and user guides for msd 6al 6425. To indentify which of the following diagrams fit you specific application, remove the.
Wiring is routed out one end through a sealed and summit racing verified purchase.
The small red wire of the msd is connected to a switched 12 volt source. Msd digital 6al wiring diagram. Msd 6al ignition box msd digital 6al with rev limiter sbc bbc sbf 6425. Go to msd and download the wire diagram for your application. I'm installing an msd 6al on my 1970 malibu with a 383. With a msd modules, the ignition module wires you need to know about are: Msd 6al ignition msd tach adapter msd blaster ss coil accel plug wires bosch platinum plugs. These digital 6al ignition controllers are sleek with a lower profile. Aussie, aussie, aussie gerg sets the record straight, by far my favorite write up, warning contains some let's take a look at the hei distributor with the internal module removed and the msd 8861 module bypass cable installed. Msd street fire wiring diagram msd streetfire ignition box wiring for msd 6al to hei wiring diagram, image size 542 x 340 px, and to view image here is a picture gallery about msd 6al to hei wiring diagram complete with the description of the image, please find the image you need. Wiring diagram i looked at shows this as a 20ga white/yellow/purple wire. I had a guy tell me that switching to a msd 6al with a msd distributer, coil and wires will really wake my motor up. The engine needs to be fed the proper amounts of air, fuel, and spark.
The engine needs to be fed the proper amounts of air, fuel, and spark. To identify which of the following diagrams fit your specific application, remove the distributor cap and. The msd digital 6al features a higher output with 530 primary volts and 135mj of spark energy. Using any regular toggle switch, connect the purple wire to the switch, and connect the switch to ground. Msd street fire wiring diagram msd streetfire ignition box wiring for msd 6al to hei wiring diagram, image size 542 x 340 px, and to view image here is a picture gallery about msd 6al to hei wiring diagram complete with the description of the image, please find the image you need.
Msd 6al With 2 Step Wiring Diagram Universal Fog Light Wiring Harness Ebay Toyota Tps Yenpancane Jeanjaures37 Fr from imgv2-1-f.scribdassets.com With a msd modules, the ignition module wires you need to know about are: However, most of these threads have more relays and wiring than i thought necessary for this setup. Msd 6al hei wiring diagram collection msd 6al wiring diagram v8 electrical drawing wiring diagram. Msd to gm hei distributor harness. A wiring diagram to connect the msd power grid system controller to a 6al can be found in the instructions for the system controller, pn 7730. Plug in the short purple/green wiring into the magnetic pickup socket. Monarch wiring diagram motor capacitor wiring motor starter wiring diagram motorcycle basic ignition wiring diagram motorcycle wiring diagrams motorcycle fuse box waterproof mopar wiring diagram modbus rs485 wiring how to install msd 6al ignition box on hei. Tach signal is a yellow wire (do not use this to feed to pin #24 on megasquirt® efi controller, it is for.
One of msd's solutions to the gm hei's common problem of power loss and lack of response above 4,500 rpm.
09.12.2017 · this is the msd 6 wiring diagram msd 6al digital wiring • wiring diagrams | j of a photo i get off the chevrolet hei distributor wiring diagram package. With a msd modules, the ignition module wires you need to know about are: Msd to gm hei distributor harness. Review the installation procedures of the msd 6. There are three different large cap hei distributors. When the key is in the tach output wire on the msd 6al ignition. I have a '68 with a 350 and hei. As for your loss of power issue, you have a couple places to start. Msd 6al ignition box msd digital 6al with rev limiter sbc bbc sbf 6425. Tach signal is a yellow wire (do not use this to feed to pin #24 on megasquirt® efi controller, it is for. Cars are filled with stuff that can make or break performance. I had a guy tell me that switching to a msd 6al with a msd distributer, coil and wires will really wake my motor up. Also it has a msd hei distributor and a msd 6 al box that was just installed.
Tach signal is a yellow wire (do not use this to feed to pin #24 on megasquirt® efi controller, it is for. The 6al has a soft touch rev control to protect your engine. This diagram shows how the cpc signal converter wires to a factory. 09.12.2017 · this is the msd 6 wiring diagram msd 6al digital wiring • wiring diagrams | j of a photo i get off the chevrolet hei distributor wiring diagram package. Aussie, aussie, aussie gerg sets the record straight, by far my favorite write up, warning contains some let's take a look at the hei distributor with the internal module removed and the msd 8861 module bypass cable installed.
Diagram Msd 6al 2 Wiring Diagram Full Version Hd Quality Wiring Diagram Ilwiringx Centotrecento It from www.stangnet.com The msd digital 6al features a higher output with 530 primary volts and 135mj of spark energy. 4, 6, 8 cylinders even fire only. Msd 6al ignition msd tach adapter msd blaster ss coil accel plug wires bosch platinum plugs. The small red wire of the msd is connected to a switched 12 volt source. The msd ignition features a gray tach output wire that provides a trigger signal for tachometers a shift light or other add on rpm activated devices. An hei is normally a one wire distrubutor. I had a guy tell me that switching to a msd 6al with a msd distributer, coil and wires will really wake my motor up. The 6al has a soft touch rev control to protect your engine.
Msd street fire wiring diagram msd streetfire ignition box wiring for msd 6al to hei wiring diagram, image size 542 x 340 px, and to view image here is a picture gallery about msd 6al to hei wiring diagram complete with the description of the image, please find the image you need.
An hei is normally a one wire distrubutor. However, most of these threads have more relays and wiring than i thought necessary for this setup. When the key is in the tach output wire on the msd 6al ignition. To identify which of the following diagrams fit your specific. Hei to msd 6al should i? The 6al has a soft touch rev control to protect your engine. Efficient components use less current to produce more power. These digital 6al ignition controllers are sleek with a lower profile. Msd 6al ignition msd tach adapter msd blaster ss coil accel plug wires bosch platinum plugs. A wiring diagram to connect the msd power grid system controller to a 6al can be found in the instructions for the system controller, pn 7730. I'm installing an msd 6al on my 1970 malibu with a 383. Cars are filled with stuff that can make or break performance. Tach signal is a yellow wire (do not use this to feed to pin #24 on megasquirt® efi controller, it is for.
Force Outboard Fuel Filter : 1984 85hp Chrysler Force Fuel Filter Boating Forum Iboats Boating Forums - Use evinrude xd50, as it is by far the best and has less fumes. . Get the best deals on outboard intake & fuel systems. Cup) is located below the engine oil filter. Tohatsu fuel & oil filters. Select the department you want to search in. Shop, read reviews, or ask questions about fuel filters at the official west marine online store. | skip to page navigation. Be the first to know about force 4 special offers! Cheap fuel filters, buy quality automobiles & motorcycles directly from china suppliers:outboard 1*fuel filter s. Get the best deals on force outboard intake & fuel systems when you shop the largest online selection at ebay.com. Select the department you want to search in. Installing A Water Separating Fuel Filter In A Boat Youtube from i.ytimg.com ...
مباراة مصر : نتيجة وملخص مباراة حرس الحدود ونادي مصر دوري الخليج العربي ... / النني رفض اللعب أمام كينيا وطلب عدم الاستدعاء لمنتخب مصر. . مقال لكل مباراة وذلك ضمن التغطية المباشرة لموقع yalla shoot kora لمعرفة القنوات الناقلة وتشكيل الفرق ومواعيد المباريات والاحداث الهامة كما يتم نقل المباريات بث مباشر مجاناً عبر. يمكنكم مشاهدة مباراة إسبانيا واليونان بث مباشر اليوم يمكنكم الآن مشاهدة مباراة مصر وكينيا بث مباشر من خلال موقع الاسطورة لبث المباريات الذي يقدم لكم خدمة البث المباشر… أخبار الرياضة مباريات اليوم بث مباشر. موعد مباراة غانا وساوتومي القادمة الأحد. نتيجة مباراة مصر وكينيا اليوم الخميس في تصفيات كأس أمم أفريقيا. النني رفض اللعب أمام كينيا وطلب عدم الاستدعاء لمنتخب مصر. مقال لكل مباراة وذلك ضمن التغطية المباشرة لموقع yalla shoot kora لمعرفة القنوات الناقلة وتشكيل الفرق ومواعيد المباريات والاحداث الهامة كما يتم نقل المباريات بث مباشر مجاناً عبر. يعود الفراعنة مرة اخري بعد ضمان التاهل الي كاس الامم الافريقية مع مشاهدة مباراة مصر وجزر القمر اليوم التي تلعب في السا...
Monspart Sarolta : Monspart Sarolta a Nemzet Sportolója lett / Sarolta monspart, solo musical project driven by former punk and new wave musician anders palmqvist, based in the deep forests of sweden. . Sarolta monspart (born 17 november 1944) is a hungarian orienteering competitor. Sarolta monspart / turning water into funk жанр: Suomisaundi, psytrance, goa год издания: Dance n dust records аудиокодек: A beszélgetést szám kati, a képmás főszerkesztője vezeti. Sarolta monspart (born 17 november 1944) is a hungarian orienteering competitor. Sarolta monspart download free and listen online. Sarolta monspart фото исполнителя sarolta monspart. Monspart sarolta tájfutó világbajnok előadása a városi könyvtárban. Dropping out of the band thing in the late 80's and. Monspart Sarolta megkérte orvosát, hagyják abba a kemoterápiát from cdn.nwmgroups.hu Sarol...
Komentar
Posting Komentar